首页
产品中心
常规PDU
智能PDU
矿用PDU
STS静态切换开关
快充数据线
转接头
关于我们
我们的优势
联系我们
中文简体
English
首页
产品中心
常规PDU
智能PDU
矿用PDU
STS静态切换开关
快充数据线
转接头
关于我们
我们的优势
联系我们
中文简体
English
产品中心
Product Center
首页
智能PDU
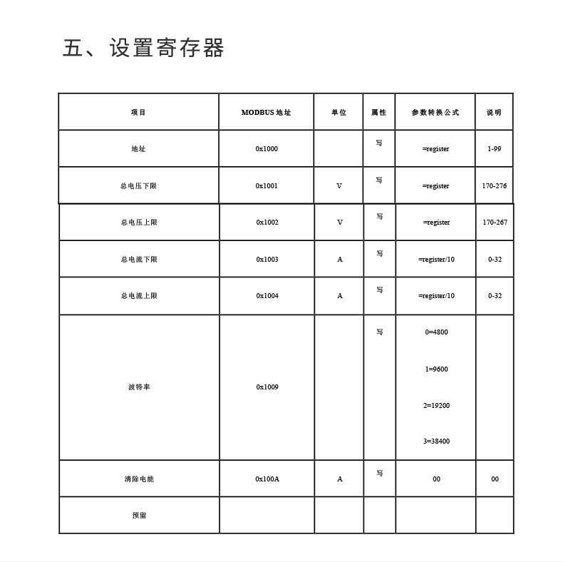
485modbus通讯协议数据调取单相三相16位10A插口智能PDU机柜插座
485modbus通讯协议数据调取单相三相16位10A插口智能PDU机柜插座
相关产品
智能PDU电源插座TCPIPsnmp协议485Modbus RS232程控分路开关
智能PDU插座8位10A 分路开关控制 热拔插指示灯19英寸485协议
智能PDU机柜电源插座欧规SNMP485TCP-Telnet监控电压电流功率级联
智能PDU机柜插座20口C13 HTTP SSH SNMP协议多用户分权管理电源
产品详情
返回顶部